Leírás
Keménység (HV10): 1.920 - Keresztirányú szakítási szilárdság (N / mm2): 2.600 Új króm minőségű univerzális vágási alkalmazásokhoz. Kiváló ellenállás a korrózióval, oxidációval és mechanikai kopással szemben. Nagy hatékonyság, 20% -kal hosszabb élettartam a szokásos minőségűhez képest.
Paraméterek
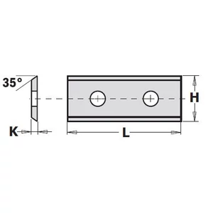
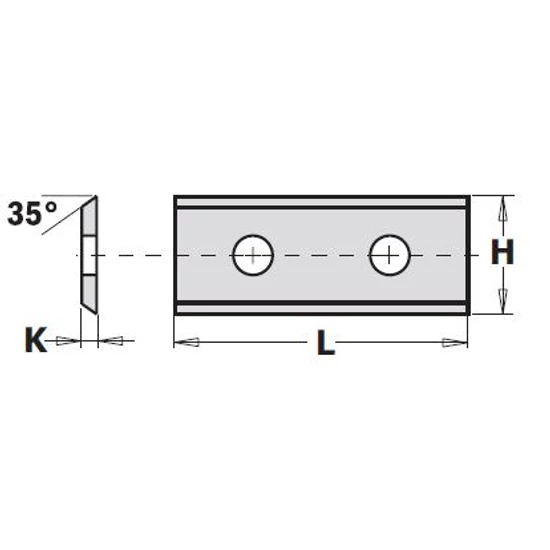
| Kialakítás | Egyenes lapka |
| Él anyaga | HWM Wolfrám-karbid keményfém |
| Hosszúság (L) | 30 mm |
| Szélesség (H/W) | 12 mm |
| Vastagság (K/T/P) | 1,5 mm |
| Élszög (A/α) | 45° |
| Élek száma (Z) | 2 db |
| Furatok száma | 2 db |
| Puhafához | Jó |
| Keményfához | Nagyon jó |
| Forgácslaphoz | Nagyon jó |
| MDF-hez | Jó |
| HDF-hez | Jó |
| Műanyaghoz | Használható |
| Termékcsalád | 790 |
Katalógus oldal
